EN CN
JBSD380P

JBSD380P

用途:

产品介绍:

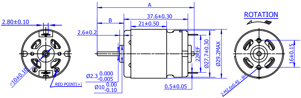
产品详情